
Program regulatora przepływów - odpływ Zakład Stary
Wstęp
Regulator przepływu realizuje funkcję utrzymania stałej temperatury wyjściowej TwyS (wartość wyświetlana na wyświetlaczu stałym) oraz ciśnienia dyspozycyjnego DPS (funkcja 12) na wyjściu odpływu Stary Zakład. Dodatkowo regulator utrzymuje stałą wartość temperatury wyjściowej na wymienniku po stronie niskiego parametru TonS.
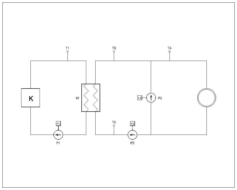
Schemat układu technologicznego wyjścia Stary Zakład
Pełny schemat układu technologicznego ciepłowni jest dostępny pod adresem http://www.szarp.com.pl/schematy/Dobre_Miasto_schemat.pdf. Poniżej zamieszczamy uproszczony schemat odpływu Stary Zakład.
gdzie
T1 - TiwS, temperatura wody wejściowej na wymienniku po stronie wysokiego parametru
T2 - TinS, temperatura wody wejściowej na wymienniku po stronie niskiego parametru
T3 - TonS, temperatura wody wyjściowej na wymienniku po stronie wysokiego parametru
T4 - TwyS, temperatura wody wyjściowej na Stary Zakład
F1 - imwS, falownik pompy wysokiego parametru
F2 - imoS, falownik pompy obiegowej
F3 - imzS, falownik pompy poprzecznej
P1 - PWSZ, pompa wysokiego parametru
P2 - POSZ, pompa obiegowa
P3 - POSZ, pompa poprzeczna
Tryby pracy regulatora oraz przełączanie między nimi
Regulator może pracować w jednym z trzech trybów pracy, które są wybierane przy pomocy trójpozycyjnego przełącznika. Dostępne są następujące tryby pracy:
Przełączanie z trybu pracy ręcznej do trybu synchronizacji jest kłopotliwym przełączeniem. W trybie synchronizacji regulator powiela sygnał z wejścia analogowego na wyjście prądowe, a w trybie pracy ręcznej jest elektrycznie odcięty od sygnałów z zadajników, dlatego też, zanim regulator zacznie prawidłowo powtarzać sygnał do falowników, musi go dokładnie zmierzyć. Z uwagi na filtracje przeciwzakłóceniowe dokładny pomiar sygnału prądowego z zadajnika zajmuje kilka sekund od momentu jego elektrycznego podłączenia do regulatora, które ma miejsce w tym przełączeniu. W przypadku źle zaprogramowanych falowników (jeśli zamiast lotnego startu mają ustawiony start po całkowitym zatrzymaniu) lub zaprogramowanego zbyt krótkiego czasu zwalniania (poniżej 10 sekund) przy zaniku prądowego sygnału sterującego, przełączenie to może nawet doprowadzić do chwilowego odstawienia falowników. Wówczas należy natychmiast załączyć je ponownie. Przełączenie to nie wymaga dodatkowych operacji.
Przełączanie z trybu synchronizacji do trybu pracy ręcznej jest operacją nie wymagającą żadnych dodatkowych czynności. Przełączenie inaczej niż w powyższym przypadku praktycznie nie powoduje zaniku sygnału sterującego wysyłanego do falowników - elektryczne odcięcie sterownika z obwodu regulacji odbywa się na tyle szybko, że pozostaje właściwie niezauważone przez falowniki.
Przełączanie z trybu synchronizacji do trybu pracy automatycznej może wiązać się z gwałtowną zmianą wysterowania falowników pomp poprzecznych i obiegowych, gdy zadane wartości wysterowań nie są prawidłowo ustawione. Aby przełączenie było łagodne, należy sprawdzić poprawność wszystkich parametrów jeszcze w trybie synchronizacji.
Sposób wyliczania temperatury odniesienia za wymiennikiem po stronie niskiego parametru
Temperatura odniesienia po stronie niskiego parametru wymiennika TxnS jest wyliczana automatycznie przez sterownik. Początkowo wartość ta jest wyliczana jako:
1 | TxnS = TodS + 5°C |
Następnie w trakcie regulacji temperatura odniesienia po stronie niskiego parametru wymiennika TxnS jest modyfikowana w zależności od aktualnego wysterowania pompy obiegowej oraz aktualnej temperatury wyjściowej według następującego algorytmu:
1 | jeżeli imoS = 100% oraz TwyS < TodS - 1°C |
2 | TxnS = TxnS + 1°C |
3 | w przeciwnym wypadku jeżeli imoS = 50% oraz TwyS > TodS + 1°C |
4 | TxnS = TxnS - 1°C |
Sposób wyliczania temperatury odniesienia dla odpływu Stary Zakład
Temperatura odniesienia dla odpływu Stary Zakład jest obliczana według wzoru:
1 | TodS = Twy + kToS |
gdzie:
TodS - temperatura odniesienia (do utrzymania) wody wyjściowej na Stary Zakład (funkcja 00)
kToS - zaprogramowana korekta temperatury wody wyjściowej na Stary Zakład w stosunku do temperatury wody wyjściowej na główne wyjście
Twy - aktualna temperatura wody wyjściowej na główne wyjście (funkcja 46)
Taki sposób wyliczania temperatury odniesienia TodS jest odpowiedni dla sieci rozległych, jaką jest odpływ Stary Zakład. Człon kToS wynika z tego, że chcemy różnicować temperaturę na wyjściu Stary Zakład do temperatury wyjściowej na główne wyjście w celu minimalizacji start na przesyle.
Algorytm regulacji ciśnienia dyspozycyjnego i temperatury
Algorytm utrzymuje ciśnienie dyspozycyjne DPS w zakresie stałych widełek odchyłki od ciśnienia dyspozycyjnego odniesienia (funkcja 10) o +/- 0.007 MPa.
Działanie algorytmu jest następujące:
1 | jeżeli (DPS > DPgS) to |
2 | jeżeli (TwyS > TodS) to |
3 | imoS = imoS - d_imoS |
4 | w przeciwnym wypadku |
5 | imoS = imoS - d_imoS |
6 | imzS = imzS - 2 * d_imzS |
7 | w przeciwnym wypadku jeżeli (DPS < DPdS) to |
8 | jeżeli (TwyS < TodS) to |
9 | imoS = imoS + d_imoS |
10 | w przeciwnym wypadku |
11 | imoS = imoS + d_imoS |
12 | imzS = imzS + 2 * d_imzS |
13 | w przeciwnym wypadku |
14 | jeżeli (TwyS > TodS + 1°C) to |
15 | imoS = imoS - d_imoS |
16 | w przeciwnym wypadku jeżeli (TwyS < TodS - 1°C) to |
17 | imoS = imoS + d_imoS |
gdzie:
DPS - aktualna wartość ciśnienia dyspozycyjnego na wyjściu Stary Zakład (funkcja 12)
DPdS - minimalne ciśnienie dyspozycyjne (funkcja 11), zawsze stale mniejsze o 0.007 MPa od ciśnienia dyspozycyjnego odniesienia (do utrzymania; funkcja 10)
DPgS - maksymalne ciśnienie dyspozycyjne (funkcja 13), zawsze stale większe o 0.007 MPa od ciśnienia dyspozycyjnego odniesienia (do utrzymania; funkcja 10)
TwyS - aktualna temperatura wody wyjściowej na Stary Zakład (wartość wyświetlana na wyświetlaczu stałym)
TodS - temperatura wody odniesienia (do utrzymania) wody wyjściowej na Stary Zakład (funkcja 00)
imoS - wysterowanie falownika pompy obiegowej (funkcja 02)
d_imoS - zadany skok zmiany wysterowania falownika pompy obiegowej (funkcja 90)
imzS - wysterowanie falownika pompy poprzecznej (funkcja 06)
d_imzS - zadany skok zmiany wysterowania falownika pompy poprzecznej (funkcja 91)
Wartości wysterowań falowników obydwu pomp (poprzecznej oraz obiegowej) nie mogą spaść poniżej wartości minimalnej, która wynosi 50%. Ograniczenie to pozwala uniknąć sytuacji, w której przepływ przez daną pompę zaniknąłby. Przykład sterowania falownikiem pompy w takiej sytuacji widać na wykresie:
![]() |
(rys.1) |
W oznaczonym numerem 1 miejscu widać, że spadek temperatury wejściowej na wymienniku po stronie wysokiego parametru TiwS/TiwN spowodował spadek wysterowania falownika pompy wysokiego parametru imwS/imwN. Jej wysterowanie zatrzymało się jednak na poziomie 50% (zgodnie z powyższym opisem), dzięki czemu nie zaistniało ryzyko zaniku przepływu po stronie wysokiego parametru.
Skutki sterowania falownikiem pompy obiegowej przedstawia poniższy wykres:
![]() |
(rys.2) |
Widzimy na nim, że wysterowanie falownika pompy obiegowej imoS/imoN maleje (zbocze oznaczone 1a), w wyniku czego rośnie temperatura na wyjściu wymiennika po stronie niskiego parametru TwyS/TwyN (zbocze 1b). Jednocześnie możemy zauważyć reakcję na sytuację przeciwną - odpowiednio zbocza 2a i 2b.
Zachowanie we wszystkich przypadkach powyższego algorytmu ilustrują wykresy:
![]() |
(rys.3) |
Powyższy wykres przedstawia sytuację, gdy ciśnienie dyspozycyjne DPS przekracza górną granicę widełek DPgS (miejsce oznaczone 1) oraz temperatura wyjściowa odpływu Stary Zakład TwyS jest niższa niż temperatura odniesienia TodS dla tego odpływu (miejsce oznaczone 2) - jest to sytuacja z linii 4-6 algorytmu. W tym momencie zostały zmniejszone wysterowania falowników pompy poprzecznej imzS oraz pompy obiegowej imoS (odpowiednio miejsca oznaczone 3 i 4). Kiedy jednak temperatura wyjściowa odpływu Stary Zakład TwyS wzrosła do wartości wyższej niż temperatura odniesienia TodS dla tego odpływu (miejsce oznaczone 5), regulator, zgodnie z liniami 2-3 algorytmu, przestał sterować pompą poprzeczną imzS (miejsce oznaczone 6) nie zmieniając regulacji pompą obiegową imoS.
![]() |
(rys.4) |
Na powyższym wykresie widać sytuację, kiedy ciśnienie dyspozycyjne DPS/DPP spadło poniżej dolnej granicy widełek DPdS/DPdP (miejsce oznaczone 1), a jednocześnie temperatura wyjściowa odpływu Stary Zakład TwyS/Twy2 była niższa niż temperatura odniesienia TodS/Tod2 dla tego odpływu (miejsce oznaczone 2) - jest to sytuacja z linii 8-9 algorytmu. Regulator w tej sytuacji zwiększył wysterowanie pompy obiegowej imoS/imo2, co widać na zboczu oznaczonym 3. Jednocześnie widać na tym wykresie, że chwilę później, w momencie, gdy temperatura temperatura wyjściowa odpływu Stary Zakład TwyS/Twy2 stała się wyższa niż temperatura odniesienia TodS/Tod2 dla tego odpływu (miejsce oznaczone 4) przy cały czas utrzymującym się poziomie ciśnienia dyspozycyjnego DPS/DPP mniejszym niż dolna granica widełek DPdS/DPdP, regulator zaczął zwiększać również wysterowanie pompy zmieszania zimnego imzS/imz2 (miejsce oznaczone 5), co odpowiada liniom 10-12 algorytmu.
![]() |
(rys.5) |
Kolejny wykres prezentuje dość skomplikowaną sytuację. W pierwszej fazie (godziny od 12:50 do 13:10) niemalże na przemian działają dwa warunki z algorytmu: linie 10-12 oraz linie 14-15 - dzieje się tak, ponieważ wartość ciśnienia dyspozycyjnego DPS/DPN oscyluje wokół wartości dolnej granicy widełek DPdS/DPdN (miejsce oznaczone 1), a temperatura wyjściowa odpływu Stary Zakład TwyS/TwyN jest wyższa niż temperatura odniesienia TodS/TodN dla tego odpływu (miejsce oznaczone 2). Regulator w tej sytuacji na przemian zwiększa wysterowanie falownika pompy obiegowej imoS/imoN oraz wysterowanie falownika pompy poprzecznej imzS/imzN (odpowiedzialne są za to linie 10-12 algorytmu) oraz zmniejsza wysterowanie falownika pompy obiegowej imoS/imoN, w wyniku czego wartość wysterowania falownika pompy obiegowej imoS/imoN na wykresie wygląda na prawie stałą (miejsce oznaczone 3). W drugiej fazie (godziny od 13:20 do 16:40) zdecydowanie częściej występuje sytuacja, w której wartość ciśnienia dyspozycyjnego DPS/DPN mieści się między dolną granicą widełek DPdS/DPdN a górną ich granicą DPgS/DPgN (wyrażona w liniach 14-15 algorytmu), stąd sterownik zmniejsza wartość wysterowania falownika pompy obiegowej imoS/imoN (miejsce oznaczone 4). Wzrost wartości wysterowania falownika pompy poprzecznej imzS/imzN (miejsce oznaczone 5) wynika z tego, że mimo wszystko sytuacja, kiedy ciśnienie dyspozycyjne DPS/DPN spada poniżej dolnej granicy widełek DPdS/DPdN nadal występuje, aczkolwiek znacznie rzadziej niż w pierwszej fazie).
![]() |
(rys.6) |
Na ostatnim z wykresów widzimy sytuację przeciwną do poprzedniej, tzn. kiedy temperatura wyjściowa odpływu Stary Zakład TwyS/Twy2 rośnie powyżej temperatury odniesienia TodS/Tod2 dla tego odpływu (miejsce oznaczone 1), regulator zmienia sterowanie pompą obiegową imoS/imo2 na przeciwne, tzn. zwiększa jej wysterowanie (miejsce oznaczone 2) - takie działanie jest zapisane w liniach 16-17 algorytmu.
Algorytm regulacji temperatury wyjściowej na wymienniku po stronie niskiego parametru
Algorytm utrzymuje temperaturę wyjściową na wymienniku po stronie niskiego parametru TonS w odległości d_TwyS od temperatury wejściowej na wymienniku po stronie wysokiego parametru TiwS.
Działanie algorytmu:
1 | jeżeli (TonS < (TiwS - d_TwyS) - 2°C) to |
2 | imwS = imwS + d_imwS |
3 | jeżeli (TonS > (TiwS - d_TwyS) - 2°C) to |
4 | imwS = imwS - d_imwS |
gdzie:
TonS - temperatura wyjściowa na wymienniku po stronie niskiego parametru (funkcja 63)
TiwS - temperatura wejściowa na wymienniku po stronie wysokiego parametru (funkcja 60)
imwS - wysterowanie falownika pompy wysokiego parametru (funkcja 04)
d_imwS - zadany skok zmiany wysterowania falownika pompy wysokiego parametru (funkcja 92)
d_TwyS - programowana wartość odległości temperatury na wyjściu wymiennika po stronie niskiego parametru od temperatury na wejściu wymiennika po stronie wysokiego parametru (funkcja 41)
Działanie powyższego algorytmu ilustrują poniższe dwa wykresy:
![]() |
(rys.1) |
Na powyższym wykresie widać sytuację, kiedy temperatura wyjściowa po stronie niskiego parametru wymiennika TonS/TonN jest niższa niż temperatura wejściowa po stronie wysokiego parametru wymiennika TiwS/TiwN pomniejszona o zadaną wartość (w tym przykładzie 15°C) - jest to miejsce oznaczone 1. Na taką sytuację, zgodnie z liniami 1-2 algorytmu, regulator reaguje zwiększając wysterowanie falownika pompy wysokiego parametru wymiennika imwS/imwN, czego przykładem jest zbocze oznaczone 2. Zbocze oznaczone jako 3 jest sytuacją, która nie powinna się stać przy regulacji automatycznej - nachylenie tego zbocza jest zbyt duże. W tym miejscu widać, że obsługa ciepłowni przełączyła regulator w tryb pracy w synchronizacji ręcznie ustawiając wysterowanie falownika pompy wysokiego parametru imwS/imwN. Sytuację z drugiej gałęzi algorytmu przedstawia drugi wykres:
![]() |
(rys.2) |
Widać tutaj, że w miejscu oznaczonym 1 temperatura wyjściowa po stronie niskiego parametru wymiennika TonS/TonN jest wyższa niż temperatura wejściowa po stronie wysokiego parametru wymiennika TiwS/TiwN pomniejszona o zadaną wartość, co spowodowało zmniejszenie wysterowania falownika pompy wysokiego parametru wymiennika imwS/imwN (zbocze 2) - tej sytuacji odpowiadają linie 3-4 algorytmu. Również w tym miejscu widać, że w miejscu oznaczonym 3 obsługa przełączyła sterownik w tryb pracy w synchronizacji.
Znaczenie poszczególnych funkcji
Wyświetlacz stały [TEMPERATURA WYJ] - temperatura wody wyjściowej [°C] - Pomiar z czujnika Pt100, zakres przetwarzania 0..200°C, wejście 11.
00 - temperatura odniesienia wody wyjściowej na sieć [°C] - Wartość temperatury odniesienia będąca sumą aktualnej temperatury wyjściowej z ciepłowni (funkcja 23) i zadanej odchyłki temperatury sterującej (funkcja 22).
02 - wyst. falownika pompy obiegowej [%] - Aktualna, procentowa wartość wysterowania falownika pompy obiegowej. Wysterowanie przekłada się liniowo na częstotliwość, tzn. każda zmiana wysterowania o 1 % oznacza zmianę częstotliwości o 0.5 Hz
03 - wyst. falownika pompy obiegowej z zadajnika [%] - Ta wartość jest podawana na falownik pompy obiegowej, gdy przełącznik trybu pracy znajduje się w pozycji "1 - Praca ręczna" lub pozycji "2 - Synchronizacja".
04 - wyst. falownika pompy wysokiego parametru [%] - Funkcja 02 dla pompy wysokiego parametru wymienników kompaktowych
05 - wyst. falownika pompy wysokiego parametru z zadajnika [%] - Funkcja 03 dla pompy wysokiego parametru wymienników kompaktowych
06 - wyst. falownika pompy poprzecznej [%] - Funkcja 02 dla pompy poprzecznej
07 - wyst. falownika pompy poprzecznej z zadajnika [%] - Funkcja 03 dla pompy poprzecznej
08 - temperatura wody powrotnej (Stary Zakład) [°C] - Aktualna temperatura wody powracającej do ciepłowni mierzona czujnikiem Pt100.
10 - zadane ciśnienie dyspozycyjne [MPa] - Parametr programowalny w postaci paczki czasowej 10, określa wartość ciśnienia dyspozycyjnego do utrzymania.
11 - minimalne ciśnienie dyspozycyjne [MPa] - Dolne widełki ciśnienia dyspozycyjnego, ich wartość jest wyliczana na podstawie algorytmu opisanego w punkcie Algorytm regulacji ciśnienia dyspozycyjnego i temperatury wody wyjściowej
12 - ciśnienie dyspozycyjne [MPa] - Wartość ciśnienia dyspozycyjnego na wyjściu sieci
13 - maksymalne ciśnienie dyspozycyjne [MPa] - Funkcja 11 liczona dla górnej granicy widełek.
14 - ciśnienie wyjściowe [MPa] - Pomiar przetwornikiem ciśnienia.
15 - ciśnienie powrotu [MPa] - Pomiar przetwornikiem ciśnienia.
22 - moc odpływu (Stary Zakład) [MW] - Aktualna wartość mocy, obliczona na podstawie temperatury wyjściowej (wartość wyświetlana na wyświetlaczu stałym), temperatury powrotnej (funkcja 01, i aktualnego przepływu (funkcja 30)
25 - zadana odchyłka temperatury sterującej [°C] - Parametr programowalny na funkcji 25. Jest potrzebna do wyliczenia wyjściowej temperatury odniesienia odpływu (funkcja 00).
30 - aktualny przepływ [t/h] - Pomiar przetwornikiem przepływu: sygnał 4..20 mA, zakres 0..500.0 t/h
41 - aktualny przepływ [t/h] - programowalny parametr określający zadaną do utrzymania różnicę pomiędzy temperaturą wejściową wymiennika kompaktowego wysoki parametr (funkcja 60) a temperaturą wyjściową wymiennika kompaktowego po stronie niskiego parametru (funkcja 63)
42 - zadana temperatura za wymiennikiem kompaktowym niski parametr [°C] - temperatura odniesienia za wymiennikiem kompaktowym po stronie niskiego parametru; wyliczana na podstawie aktualnej temperatury wejściowej do wymiennika po stronie wysokiego parametru (funkcja 60) i programowalnej odchyłki (funkcja 41)
46 - temperatura wody wyjściowej na sieć CO obieg Miasto (senderem z nadrzędnego) [°C] - Aktualna wartość temperatury wody wyjściowej z ciepłowni na obiegu Miasto - mierzona na regulatorze nadrzędnym.
60 - temperatura wejściowa wysoki parametr na wymienniku [°C] - temperatura wody wejściowej do wymiennika kompaktowego po stronie wysokiego parametru
61 - temperatura wyjściowa wysoki parametr na wymienniku [°C] - temperatura wody wyjściowej z wymiennika kompaktowego po stronie wysokiego parametru
62 - temperatura wejściowa niski parametr na wymienniku [°C] - temperatura wody wejściowej do wymiennika kompaktowego po stronie niskiego parametru
63 - temperatura wyjściowa niski parametr na wymienniku [°C] - temperatura wody wyjściowej do wymiennika kompaktowego po stronie niskiego parametru
90 - skok wysterowania falownika pompy obiegowej [%] - Wartość programowana na funkcji 90 o jaką jest zmieniane wysterowanie falownika pompy obiegowej w trakcie regulacji. Zbyt duże wartości mogą doprowadzić do oscylacji w układzie regulacji, natomiast zbyt małe wartości spowolnią dochodzenie do stanu ustalonego.
91 - skok wysterowania falownika pompy poprzecznej [%] - Funkcja 90 dla pompy poprzecznej.
92 - skok wysterowania falownika pompy wymienników kompaktowych [%] - Funkcja 90 dla pompy wysokiego parametru wymienników kompaktowych.
97 - Stan wejść logicznych 1-4 - Na poszczególnych pozycjach wyświetlacza pokazywane są stany wejść logicznych: zwarte = "1", rozwarte = "0". Pozycje liczone są od lewej strony: na wartości wyświetlanej 97 pierwsza cyfra pokazuje stan wejścia logicznego nr 1, druga stan wejścia logicznego nr 2 itp.
98 - Stan wejść logicznych 5-8 - Funkcja 97 dla wejść 5-8
Panel wyświetlaczy nr 2, pozycja na wyświetlaczu: 1 - - - Aktualna wartość mocy, obliczona na podstawie temperatury wyjściowej (wartość wyświetlana na wyświetlaczu stałym), temperatury powrotnej (funkcja 01, i aktualnego przepływu (funkcja 30).
Panel wyświetlaczy nr 2, pozycja na wyświetlaczu: 2 - - - Wartość ciśnienia dyspozycyjnego na wyjściu sieci.
Panel wyświetlaczy nr 2, pozycja na wyświetlaczu: 3 - - Pomiar przetwornikiem przepływu: sygnał 4..20 mA, zakres 0..500.
Panel wyświetlaczy nr 2, pozycja na wyświetlaczu: 4 - - Pomiar przetwornikiem ciśnienia.
Wartości wyświetlane
| numer | opis |
| stały wyświetlacz | temperatura wody wyjściowej [°C] |
| nE | Wersja pamięci EPROM: 2313 |
| nP | Wersja programu technologicznego: 7003 |
| 00 | temperatura odniesienia wody wyjściowej na sieć [°C] |
| 02 | wyst. falownika pompy obiegowej [%] |
| 03 | wyst. falownika pompy obiegowej z zadajnika [%] |
| 04 | wyst. falownika pompy wysokiego parametru [%] |
| 05 | wyst. falownika pompy wysokiego parametru z zadajnika [%] |
| 06 | wyst. falownika pompy poprzecznej [%] |
| 07 | wyst. falownika pompy poprzecznej z zadajnika [%] |
| 08 | temperatura wody powrotnej (Stary Zakład) [°C] |
| 10 | zadane ciśnienie dyspozycyjne [MPa] |
| 11 | minimalne ciśnienie dyspozycyjne [MPa] |
| 12 | ciśnienie dyspozycyjne [MPa] |
| 13 | maksymalne ciśnienie dyspozycyjne [MPa] |
| 14 | ciśnienie wyjściowe [MPa] |
| 15 | ciśnienie powrotu [MPa] |
| 22 | moc odpływu (Stary Zakład) [MW] |
| 25 | zadana odchyłka temperatury sterującej [°C] |
| 30 | aktualny przepływ [t/h] |
| 42 | zadana temperatura za wymiennikiem kompaktowym niski parametr [°C] |
| 46 | temperatura wody wyjściowej na sieć CO obieg Miasto (senderem z nadrzędnego) [°C] |
| 60 | temperatura wejściowa wysoki parametr na wymienniku [°C] |
| 61 | temperatura wyjściowa wysoki parametr na wymienniku [°C] |
| 62 | temperatura wejściowa niski parametr na wymienniku [°C] |
| 63 | temperatura wyjściowa niski parametr na wymienniku [°C] |
| 90 | skok wysterowania falownika pompy obiegowej [%] |
| 91 | skok wysterowania falownika pompy poprzecznej [%] |
| 92 | skok wysterowania falownika pompy wymienników kompaktowych [%] |
| 97 | Stan wejść logicznych 1-4 |
| 98 | Stan wejść logicznych 5-8 |
Paczki
| numer | minimalna wartość | maksymalna wartość | domyślna wartość | opis |
| 10 | 0,002 | 0,600 | 0,080 | zadane ciśnienie dyspozycyjne [MPa] |
Wartości stałe
| numer | minimalna wartość | maksymalna wartość | domyślna wartość | opis |
| 25 | -20,0 | 20,0 | -8,0 | odchyłka temperatury wyjściowej |
| 90 | 0,1 | 0,5 | 0,1 | skok wysterowania falownika pompy obiegowej |
| 91 | 0,1 | 0,5 | 0,1 | skok wysterowania falownika pompy poprzecznej |
| 92 | 0,1 | 0,5 | 0,1 | skok wysterowania falownika pompy wymienników kompaktowych |
| 99 | 0 | 9999 | 0 | kod dostępu |
Wejścia analogowe
| numer | opis |
| 01 | ciśnienie zasilania (4..20mA) |
| 02 | ciśnienie powrotu (4..20mA) |
| 03 | ciśnienie dyspozycyjne (4..20mA) |
| 04 | zadajnik prądowy falownika pompy poprzecznej (0..20mA) |
| 05 | zadajnik prądowy falownika pompy obiegowej (0..20mA) |
| 06 | zadajnik prądowy falownika pompy wysokiego parametru (0..20mA) |
| 07 | temperatura wejściowa wysokiego parametru (0..200°C) |
| 08 | temperatura wyjściowa wysokiego parametru (0..200°C) |
| 09 | temperatura powrotu niskiego parametru na wymienniku (0..200°C) |
| 10 | temperatura wyjścia niskiego parametru na wymienniku (przed zmieszaniem) (0..200°C) |
| 11 | temperatura powrotu niskiego parametru na wyjściu sieci (0..200°C) |
| 12 | temperatura wyjścia niskiego parametru na wyjściu sieci (0..200°C) |
Wejścia logiczne
| numer | opis |
| 01 | praca automatyczna |
| 02 | synchronizacja |
| 03 | rezerwa |
| 04 | rezerwa |
| 05 | awaria falownika pompy mieszania zimnego |
| 06 | awaria falownika pompy mieszania gorącego |
| 07 | test sygnalizacji |
| 08 | kasowanie sygnalizacji |
Wyjścia analogowe
| numer | opis |
| 01 | wysterowanie falownika pompy poprzecznej |
| 02 | wysterowanie falownika pompy obiegowej |
| 03 | wysterowanie falownika pompy wysokiego parametrow wymiennikow kompaktowych |
Wyjścia przekaźnikowe
| numer | opis |
| 01 | praca automatyczna |
| 02 | rezerwa |
| 03 | rezerwa |
| 04 | awaria falownika pompy zmieszania zimnego |
| 05 | awaria falownika pompy obiegowej |
| 06 | rezerwa |
| 07 | rezerwa |
| 08 | ciśnienie dysp. w zakresie regulacji |
| 09 | brak transmisji |
| 10 | koniec zakresu regulacji ciśnienia dyspozycyjnego |
| 11 | temperatura wyjściowa min/max |
| 12 | ciśnienie dyspozycyjne min/max |
| 13 | ciśnienie miedzykolektorowe min/max |
| 14 | rezerwa |
| 15 | rezerwa |
| 16 | buczek |
| 17 | rezerwa |
Instrukcja obsługi regulatora Z-Elektronik
Instrukcja obsługi panelu blokad
Deklaracja zgodności CE regulatora Z-Elektronik
Automatically generated by DOCGEN on 2025.09.13 03:21:16
based on /var/szarp/programy/trunk/dobremia/sterow/2313/1000/przswyk.c